
Art.Nr.: BTS-605.80.36
Preiseinheit: 1 STCK
Originalbezeichnung: STECKNUSS 12KT 3/4 55 MM
Product: Wheel nut socket 12t 3/4 55mm
Hazet Steckschlüsseleinsatz 12-kant, 3/4"
Passend z. B. für BMW, Ducati, und MV Augusta Einarmschwingen
Griffig, gerändelt
Für Handbetätigung
Mit Ausrastbolzen für Stiftsicherungen
Chrom-Vanadium
Oberfläche verchromt, poliert
DIN 3124, ISO 2725-1
Made In Germany
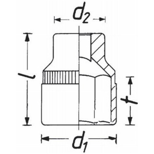
SW: 55 mm
Länge: 67 mm
Durchmesser d¹/d²: 73,5 / 45 mm*
Antrieb: 3/4" (20 mm) Innenvierkant
Abtrieb: 12-kant (Doppel-6-kant)
*siehe Detailbild
| Technische Daten | |
|---|---|
| Profil | 12-Kant |
| Größe | 55 mm |
| Antrieb | 3/4 Zoll |
| Länge | 67.0 mm |
| Schlagschraubertauglich | Nein |
| magnetisch | Nein |
| Ausrastbolzen | Ja |
| VDE Isoliert | Nein |
| Hersteller | Hazet |
Hersteller Nr.: Hazet 1000Z-55
EAN: 4000896001712
92,15 EUR
inkl. 19 % MwSt. zzgl. Versandkosten