
Art.Nr.: BTS-775.00.86
Preiseinheit: 1 SATZ
Originalbezeichnung: SCHLAGNIET TMX
Product: redating push rivet RVTPP02
Schlagniet für Lochgröße 7,2 mm von Tourmax
Made in Japan
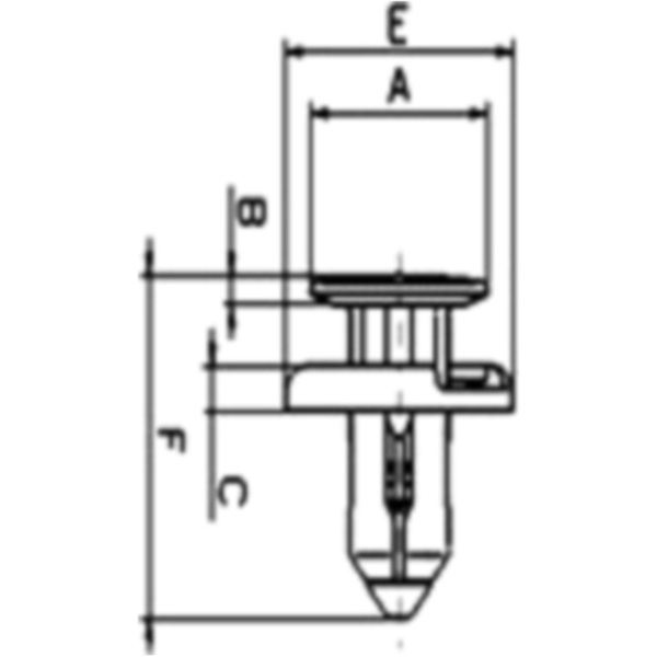
Abmessungen (Siehe Detailbild):
Dicke: 2,15 - 5,0 mm
A: 14,0 mm
B+C: 3,0 mm
E: 14,0 mm
F: 19,4 mm
Inhalt: 10 Stück
| Technische Daten | |
|---|---|
| Anwendung | Motorrad |
| Fahrzeughersteller | Yamaha |
| Typ | Schlagniet |
| Gesamtlänge | 19.4 mm |
| Material | Kunststoff |
Hersteller Nr.: Tourmax RVT-PP02
EAN: 4043981326901
7,71 EUR
inkl. 19 % MwSt. zzgl. Versandkosten