Wähle ein Motorrad
Oder▼
Hersteller
Modell
Zylinderkapazität
AF Nummer
Bauart
Preiseinheit: 1 STCK
Originalbezeichnung: RELAIS SCHLIESSER 24V 50A
Product: Relay schliesser 24v 50a 0332002256
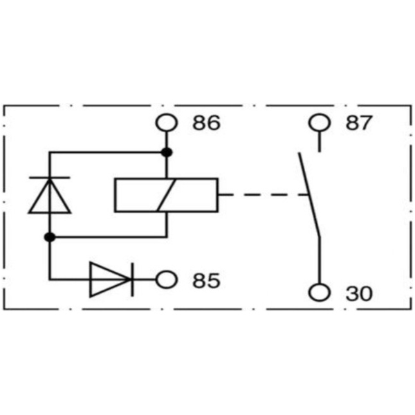
Bosch Wechselrelais, 4-polig, 24 V
Technische Daten:
Nennstrom: 50 A
Nennspannung: 24 V
Schalterfunktion: Hochleistungs-Schließer ohne Lichtumschaltfunktion
Schutzart (IP-Code): IP54
Temperaturbereich von: -40 °C
Temperaturbereich bis: 65 °C
Widerstand: 30 Ohm
| Technische Daten | |
|---|---|
| Spannung | 24 V |
| Pol Anzahl | 4 |
| Schalterfunktion | Schließer |
| Belastbarkeit | 50 A |
| mit Halter | Nein |
Hersteller Nr.: Bosch 0 332 002 256
EAN: 3165141120035
